zaščita pred suhim tekom črpalk
        

 

Nazaj na IZDELKI


ZAŠČITA ZA SUHI TEK ČRPALK    SISTEM 1
 
 

Sistem : DRYRUNNER 40 - PP
za najzahtevnejše aplikacije

                               

 

SPLOŠNO
Sistem zaščite je grajen iz mehanskega plovca v ohišju s senzorskim elementom kot celoto  in elektro krmilno omaro .

Mehanski del z senzorjem se prigradi - privijači  na tlačni del.

Sistem varovanja  je idealen za črpalke ki imajo  sesalne  in tlačne  cevovode dolge  in nivojsko stikalo ni mogoče prigraditi ali pa je lahko zaradi vrste fluida nezanesljivo.

Črpalko varovalni  sistem ustavi če medij ni prisoten že po nekaj sekundah.
 

Materiali so vsi plastični in odporni na vrsto kislin in alkalij.

 

Elektroomara vsebuje krmilni mikrokontroler ki deluje na sistem da  izključi črpalko ko tekočina več ne teče po cevovodu.

oznaka tlačni premer cevi material ohišje / tesnilo* max  obratovalni tlak
DRYDUNNER 32 PP DA 32  DN 25 PP/ EPDM 10 bar
DRYDUNNER 40 PP DA 40  DN 32 PP/ EPDM 10 bar
DRYDUNNER 50 PP DA 50  DN 40 PP/ EPDM 10 BAR

  * FPM tudi dobavljiva opcija                              

Nazaj na IZDELKI

 

 

 

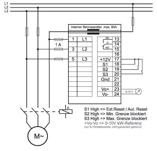
ZAŠČITA ZA SUHI TEK ČRPALK   SISTEM 2
 
 

Sistem : MOTORSENZOR
za vse keramično tesnene LASTRATECH črpalke

                               

 

SPLOŠNO
Sistem je grajen za 3 fazne asinhronske motorje.

Sistem vsebuje krmilni modul ki meri linijsko tokovno obremenitev sistema.
Sistem je cenovno ugoden in zanesliv ter omogoča varno nadgradnjo sistema brez
velikih posegov.
Krmiljenje sistema izhaja iz teoretične difinicije  delovne moči.

                                       
                                                
Če med obratovanjem zmanka tekočine v črpalki  pade linijski  tok in  premosorazmerno  delovna moč  .
Ta pojav senzor zaznava in v primeru da pade linijski tok pod nastavljeno kritično vrednost izkluči motor.

Motor deluje kot senzor .
Krmilni modul se vgradi pred kontaktorjem . Lahko v obstoječe krmilne elektroomare. Modul je potrebno za vsako črpalko posebej  umeriti.
 

 

 


 









 


 

 

 

 

 

 

POVPRAŠEVANJE & CENIKNazaj na IZDELKI
 

 

E-mail :SERVIS

[ Nazaj ]             [ Izdelki ]    [ Lokacija ]              [ Novosti ]       [ Uporabne info. ]            [ E-Mail ]  

LASTRATECH d.o.o. , Rakovica 28, 4201 Zg.Besnica-KRANJ   tel: 04 250 66 30     fax: 04 250 66 33,  gsm:  041 642 631